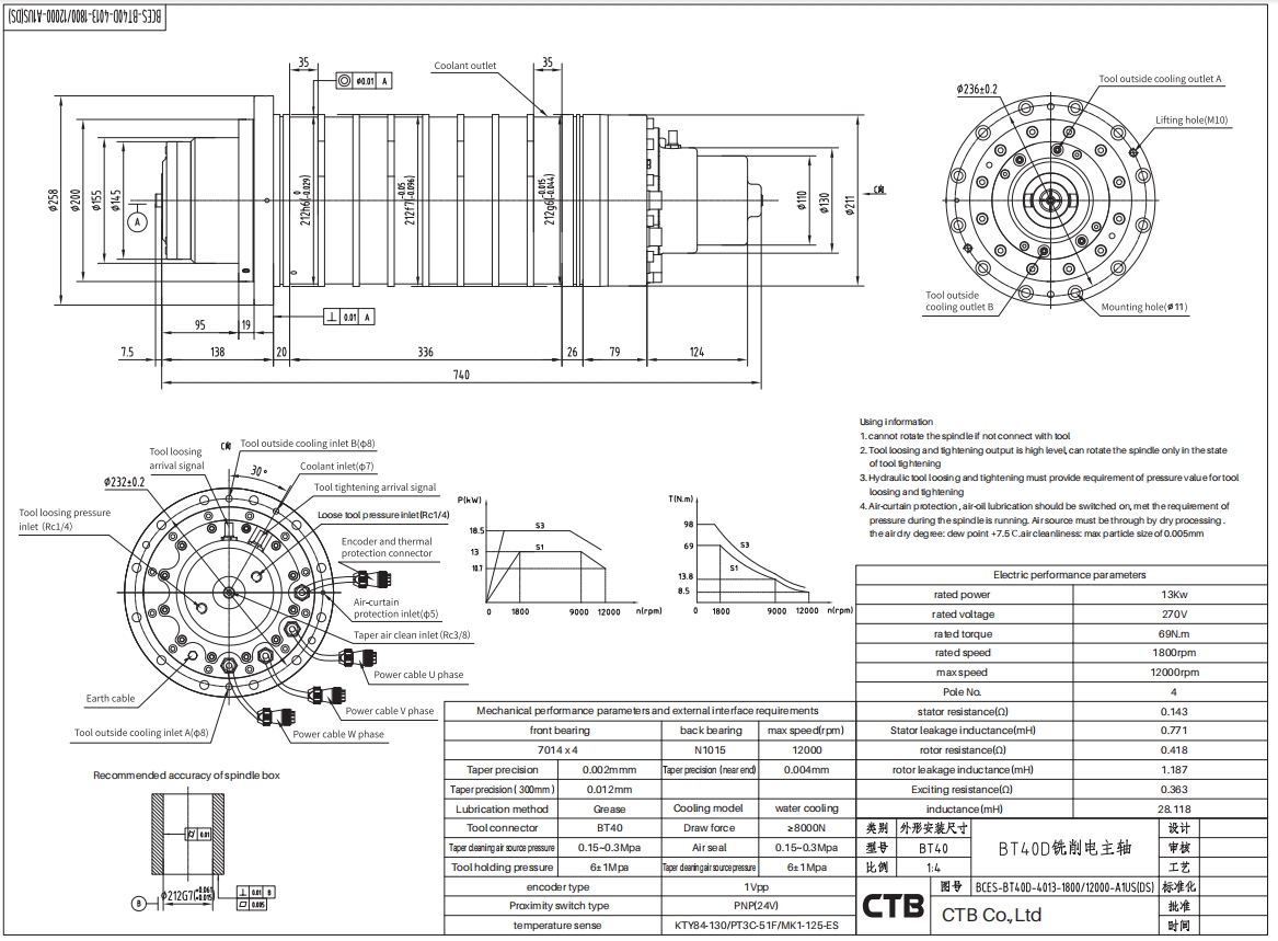
(1) Adopting permanent magnet synchronous internal motor drive, with small size and high power density;
(2) The bearing pre tightening method mainly adopts positioning pre tightening, which can achieve high rigidity and high torque requirements
(3) Dynamic balance correction within G1;
(4) Low noise and minimal thermal deformation;
(5) High dynamic rotation accuracy;
(6) Built in locking mechanism, capable of achieving high torque locking without changing the accuracy during locking.
